Radio frequency broadband amplifiers are mainly used in radio technology (CATV, amateur radio) or in measurement technology.
I've built a few of these amplifiers, all in push-pull with either bipolar transistors, MOSFETs, or LDMOS (BLF188XR) semiconductors.
Power Amplifier - 100W: This module is constructed with 2 bipolar transistors and is intended as linear amplifier (SBB) and equipped with a transmit/receive switching which can also work as VOX.
Technical Data:
Full Power (100W) Frequency Range: 1.8MHz to 30MHz




Power Amplifier - 250W: This module is constructed with 2 MOS transistors and is also intended as linear amplifier (SBB).
Technical Data:


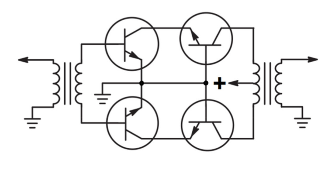
Measureing Amplifiers: When it comes to using highly linear amplifiers in the frequency range between 1MHz and 500MHz, so-called RF Linear Hybrid Amplifiers are often used. Essentially, these are symmetrically constructed cascode units. To ensure that these units not only have a high frequency bandwidth but are highly linear, the transistors used usually operate in Class A mode.

I have build some versions of cascode high frequency amplifiers and here are the technical data of a "smaller" cascode amplifier:
Frequency response: approx. 1MHz - approx. 200MHz (at approx. 14dBm output power)
Maximum output power (1dB compression): approx 24dBm
IP3: Output IP3 = 42dBm




And here are the technical data of a "greater" cascode amplifier:
Frequency response: approx. 1MHz - approx. 55MHz (at approx. 20dBm output power)
Maximum output power (1dB compression): approx 34,5dBm
IP3: Output IP3 = 50dBm



